2026-04-01
2026-03-12
2026-03-09
2026-02-11
2026-01-31
2025-11-29
住所: 新北市新店区北新路 3 段 205-3 号 6 階
電話: +886-2-89131997
ファックス: +886-980503633
メール: info@sg.com.tw
住所: 中国鉄塔、M-7 ビル、Majiaoling 工業地帯、ハイテク ゾーン、南山区、深圳、西 3 階
電話: 0755-2697 1006
ファックス: 18002554660
メール: sales@acroview.com
著者: Chongmao Technologyリリース日:2022-03-21視聴者数:3958 p>
芯片烧录行业领导者-昂科技术近日发布最新的烧录软件更新及新增支持的芯片型号列表,其中Microchip深受电源行业客户喜爱的一款集成电路IC-微处理器ATSAML21J17B-U已经被昂科的通用烧录平台AP8000所支持。
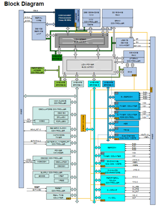
ATSAML21J17B-U是一款基于智能 ARM 的 32 位微控制器 64 引脚 QFN 封装。这款 SMART SAML21 系列超低功耗微控制器采用 32 位 ARM Cortex -M0+ 处理器,最高运行频率为 48MHz,达到 2.46 CoreMark/MHz。它具有高达 128KB 的闪存和 16KB 的 SRAM。它设计用于在所有设备之间使用相同的外围模块、十六进制兼容代码、相同的线性地址映射和引脚兼容的迁移路径进行简单、直观的迁移。它包括智能和灵活的外围设备、用于外围设备信号的 Atmel 事件系统以及对电容式触摸按钮、滑块和滚轮用户界面的支持。它具有系统内可编程闪存、16 通道直接存储器访问 (DMA) 控制器、12 通道事件系统、可编程中断控制器、多达 51 个可编程 I/O 引脚、上电复位 (POR) 和欠压检测 (BOD)、内部和外部时钟选项、外部中断控制器 (EIC)、32 位实时时钟和日历。5 个定时器计数器 (TC),每个 TC 2 个波形输出通道和 3 个用于控制的定时器计数器 (TCC)。16 个外部中断线、1 个 USB 接口、6 个 SERCOM 和 4 个可配置自定义逻辑 (CCL) (LUT)。
ATSAML21J17B-U工作电压范围从 1.62V 到 3.63V。工作温度范围从 -40°C 到 85°C。
虽然与Cortex M0+内核的性能相当,但是SAM L21还具备一些超低功耗特征。在采用极低功耗的同时,微控制器甚至可以用于按钮、滑块和车轮控制应用的触摸感应。其中一个关键构成是在芯片内部,有五个不同的电源域。包括爱特梅尔公司的芯片在内的大多数低功耗ARM芯片都只是简单地中断不同区域的时钟。而SAM L21则关闭这些区域的电源,从而防止该区域成千上万的晶体管泄露电流。 即使在无电力循环的情况下,这一数字也是十分惊人的。与工作电流为103uA/MHz的SAM D20相比,SAM L21的工作电流不到它的一半,即40uA/MHz。就在完全休眠模式下实时时钟的静态功耗而言,SAM L21效率是SAM D2的4倍,采用0.9uA的工作电流,而非3.8uA。

产品简化原理图如下:

TLE4984C的功能模块图如下:

AP8000通过ATSAML21J17B-U特有的PMBus接口对其进行芯片内部的NVM进行编程操作,以对电源器件编程设定16等级OCP,以及电流阈值的动态相位减少等功能进行编程设定。 昂科技术自主研发的AP8000万用型烧录器包含主机,底板,适配座三大部分。
主机支持USB和NET连接,允许将多台编程器进行组网,达到同时控制多台编程器同时烧录的目的。内置芯片安全保障电路保证即使芯片放反或其他原因造成的短路可以被立即检测到并进行断电处理,以保障芯片和编程器安全。内嵌高速FPGA,极大地加速数据传输和处理。主机背部有SD卡槽,将PC软件制作得到的工程文件放到SD卡的根目录下并插入到该卡槽内,通过编程器上的按键可进行工程文件的选择,加载,执行烧录等命令,以达到脱离PC便可操作的目的,极大的降低了PC硬件配置成本,方便迅速地搭配工作环境。
AP8000通过底板加适配板的方式,让主机扩展性更强,目前已经支持了所有主流半导体厂家生产的器件,包括TI, ST, MicroChip, Atmel, Hynix , Macronix, Micron, Samsung ,Toshiba等。支持的器件类型有NAND,NOR,MCU,CPLD,FPGA,EMMC等,支持包括Intel Hex,Motorola S, Binary, POF等文件格式。
关于美国微芯科技:美国微芯科技(英语:MicroChip),成立于1989年,全球设有34家区域培训中心,Microchip单片机全球8位单片机(MCU)付运量排名第一。是全球领先的单片机和模拟半导体供应商,为全球数以千计的消费类产品提供低风险的产品开发、更低的系统总成本。
关于昂科技术:昂科技术(ACROVIEW)是全球领先的半导体芯片烧录解决方案提供商,公司坚持以科技改变世界、用智能驱动未来,持续不断的为客户创造价值。昂科的AP8000通用烧录器平台及最新的IPS5000自动化烧录解决方案,为半导体和电子制造领域客户提供一站式解决方案,公司已服务包括、比亚迪、富士康等全球领先客户。
深圳本社:
深セン市南山区ハイテク ゾーン主要工業区 M-7 ビル Sinosteel ビル西 3 階
電話: 0755-2697 1006
移動: 18002554660
電子メール: sales@acroview.com
台湾事務所:
System General
住所:新北市新店区北新路三段205-3号6階
電話:886-2-89131997
ファックス: +886-980503633
販売メールアドレス: info@sg.com.tw
Copyright ©2019-2022 Core Micro Semiconductor (Suzhou) Co., Ltd.沪ICP备2022015186号-1
